Detailed information

Deep groove ball bearing for high temperature applications with shields on both sides
Single row deep groove ball bearings for high temperature applications, with shields on both sides, are designed for challenging operating conditions, with certain variants being capable of performing at temperatures as high as 350 °C (660 °F). They have larger radial internal clearances and use graphite-based lubricants that enable operation at high temperatures. They are lubricated for the life of the bearing and the entire surface of the bearings and shields are manganese phosphate treated, which enhances adhesion of the lubricant to the metal and improves their running-in properties. As with deep groove ball bearings generally, they are particularly versatile, accommodate radial and axial loads in both directions, and are easy to mount.
Optimized for operation at high temperatures – up to 350 °C (660 °F)
Easily swapped with grease-lubricated bearings of corresponding ISO dimensions
Increased reliability, reduced complexity and decreased environmental impact
Integral sealing prolongs bearing service life
Typical benefits of single row deep groove ball bearings
No 10 mm 30 mm 9 mm ≈17 mm ≈24.72 mm min.0.6 mm min.14.2 mm max.16.9 mm max.25.8 mm max.0.6 mm 2.36 kN 110 r/min max.350 °CRunning in required 
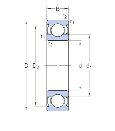
Dimensions
d Bore diameter D Outside diameter B Width d1 Shoulder diameter inner ring D2 Recess diameter outer ring shoulder r1,2 Chamfer dimension 
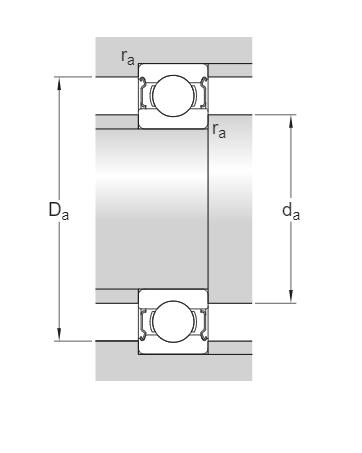
Abutment dimensions
da Abutment diameter shaft da Abutment diameter shaft Da Abutment diameter housing ra Fillet radius Calculation data
Basic static load rating C0 Limiting speed Operating temperature T