Detailed information

Deep groove ball bearing for high temperature applications
Single row deep groove ball bearings for high temperature applications are designed for challenging operating conditions, with certain variants being capable of performing at temperatures as high as 350 °C (660 °F). They have increased radial internal clearances and use graphite-based lubricants that are optimized for operation at high temperatures. The entire surface of the bearings are manganese phosphate treated, which enhances adhesion of the lubricant to the metal and improves their running-in properties. As with deep groove ball bearings generally, they are particularly versatile, accommodate radial and axial loads in both directions, and are easy to mount.
Optimized for operation at high temperatures – up to 350 °C (660 °F)
Easily swapped with grease-lubricated bearings of corresponding ISO dimensions
Increased reliability, reduced complexity and decreased environmental impact
Typical benefits of single row deep groove ball bearings
| Running in required | Yes |

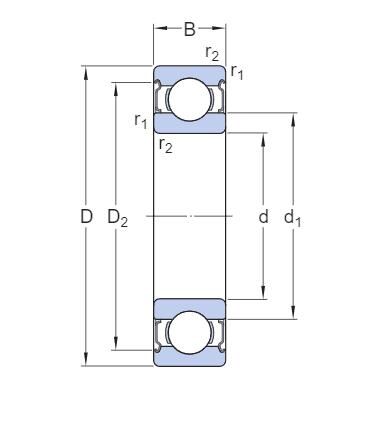
Dimensions
| d | 30 mm | Bore diameter |
|---|---|---|
| D | 55 mm | Outside diameter |
| B | 13 mm | Width |
| d1 | ≈38.2 mm | Shoulder diameter inner ring |
| D2 | ≈49 mm | Recess diameter outer ring shoulder |
| r1,2 | min.1 mm | Chamfer dimension |

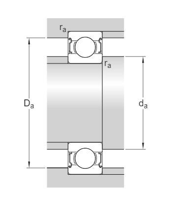
Abutment dimensions
| da | min.34.6 mm | Abutment diameter shaft |
|---|---|---|
| da | max.38.1 mm | Abutment diameter shaft |
| Da | max.50.4 mm | Abutment diameter housing |
| ra | max.1 mm | Fillet radius |
Calculation data
| Basic static load rating | C0 | 8.3 kN |
|---|---|---|
| Limiting speed | 100 r/min | |
| Operating temperature | T | max.250 °C |