Detailed information

Deep groove ball bearing for high temperature applications with shields on both sides
Single row deep groove ball bearings for high temperature applications, with shields on both sides, are designed for challenging operating conditions, with certain variants being capable of performing at temperatures as high as 350 °C (660 °F). They have larger radial internal clearances and use graphite-based lubricants that enable operation at high temperatures. They are lubricated for the life of the bearing and the entire surface of the bearings and shields are manganese phosphate treated, which enhances adhesion of the lubricant to the metal and improves their running-in properties. As with deep groove ball bearings generally, they are particularly versatile, accommodate radial and axial loads in both directions, and are easy to mount.
Optimized for operation at high temperatures – up to 350 °C (660 °F)
Easily swapped with grease-lubricated bearings of corresponding ISO dimensions
Increased reliability, reduced complexity and decreased environmental impact
Integral sealing prolongs bearing service life
Typical benefits of single row deep groove ball bearings
| Running in required | No |

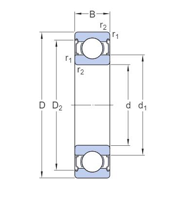
Dimensions
| d | 0.787 in | Bore diameter |
|---|---|---|
| D | 1.654 in | Outside diameter |
| B | 0.472 in | Width |
| d1 | ≈1.068 in | Shoulder diameter inner ring |
| D2 | ≈1.464 in | Recess diameter outer ring shoulder |
| r1,2 | min.0.024 in | Chamfer dimension |

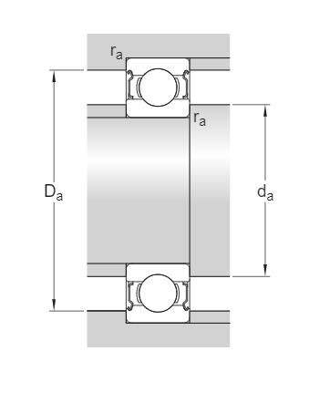
Abutment dimensions
| da | min.0.913 in | Abutment diameter shaft |
|---|---|---|
| da | max.1.067 in | Abutment diameter shaft |
| Da | max.1.528 in | Abutment diameter housing |
| ra | max.0.024 in | Fillet radius |
Calculation data
| Basic static load rating | C0 | 1 124 lbf |
|---|---|---|
| Limiting speed | 140 r/min | |
| Operating temperature | T | max.662 °F |