Detailed information

Deep groove ball bearing with seals or shields
Single row deep groove ball bearings with seals or shields are particularly versatile, have low friction and are optimized for low noise and low vibration, which enables high rotational speeds. They accommodate radial and axial loads in both directions, are easy to mount, and require less maintenance than many other bearing types. The integral sealing can significantly prolong bearing service life because it keeps lubricant in the bearings and contaminants out.
Integral sealing prolongs bearing service life
Simple, versatile and robust design
Low friction
High-speed capability
Accommodate radial and axial loads in both directions
Require little maintenance

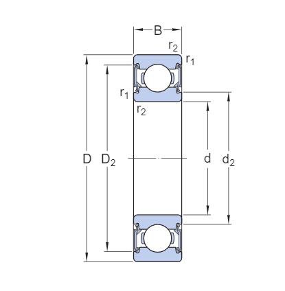
Size
| d | 30 mm | Aperture |
|---|---|---|
| D | 42 mm | Outer diameter |
| B | 7 mm | Width |
| d1 | ≈33.7 mm | Flange diameter |
| D2 | ≈39.4 mm | Groove diameter |
| r1,2 | min.0.3 mm | Chamfer size |

Shoulder stop dimension
| da | min.32 mm | Shaft shoulder diameter |
|---|---|---|
| da | max.33.6 mm | Shaft shoulder diameter |
| Da | max.40 mm | Bearing seat shoulder diameter |
| ra | max.0.3 mm | Shaft or housing chamfer radius |
Data calculation
| Basic dynamic load rating | C | 4.1 kN |
|---|---|---|
| Basic static load rating | C0 | 2.9 kN |
| Fatigue load limit | Pu | 0.146 kN |
| Reference speed | 12 000 r/min | |
| Limit speed | 6 000 r/min | |
| Minimum load factor | kr | 0.015 |
| Calculate coefficient | f0 | 13.9 |
Tolerance class
| Dimensional tolerance | P5 |