Detailed information

Stainless steel deep groove ball bearing with integral sealing
Stainless steel single row deep groove ball bearing with seals or shields on both sides, provide greater chemical and corrosion resistance. As with deep groove ball bearings generally, they are particularly versatile, have low friction and are optimized for low noise and low vibration, which enables high rotational speeds. They accommodate radial and axial loads in both directions, are easy to mount, and require less maintenance than other bearing types. The integral sealing can significantly prolong bearing service life because it keeps lubricant in the bearings and contaminants out.
Greater chemical and corrosion resistance
Integral sealing prolongs bearing service life
Typical benefits of single row deep groove ball bearings

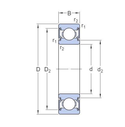
Size
| d | 17 mm | Aperture |
|---|---|---|
| D | 26 mm | Outer diameter |
| B | 5 mm | Width |
| d1 | ≈19.8 mm | Flange diameter |
| D2 | ≈24.15 mm | Groove diameter |
| r1,2 | min.0.3 mm | Chamfer size |

Shoulder stop dimension
| da | min.19 mm | Shaft shoulder diameter |
|---|---|---|
| da | max.19.6 mm | Shaft shoulder diameter |
| Da | max.24 mm | Bearing seat shoulder diameter |
| ra | max.0.3 mm | Shaft or housing chamfer radius |
Data calculation
| Basic dynamic load rating | C | 2.03 kN |
|---|---|---|
| Basic static load rating | C0 | 1.27 kN |
| Fatigue load limit | Pu | 0.054 kN |
| Reference speed | 56 00 r/min | |
| Limit speed | 28 00 r/min | |
| Minimum load factor | kr | 0.015 |
| Calculate coefficient | f0 | 14.1 |